来源:更新时间:2021-08-06 16:42:24点击次数:2493次
JY500C11触屏自动定量包装秤仪表开孔尺寸是多少?
开孔尺寸:220mm*168.5mm

电气接口的介绍
1控制器电源
控制器用DC24V电源,24V+为电源正极,24V-为电源负极,PE为地线。
2输入输出端口电源
控制器控制电路输入、输出端口需外部提供直流24V电源作为工作电源,该电源正极接至仪表COM1(24V+)端,负极接至仪表COM2(24V-)端。
3输入接线
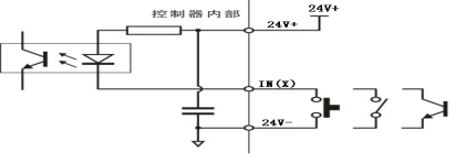
控制器开关量输入接至24V-有效,原理下图所示。

4输出接线
控制器为NPN型晶体管集电极开路输出方式,各个晶体管集电极分别接至输出端口,发射极均接至24V-端口.

5端口总接线图

(1)INx为输入。OUTx为输出。输出为晶体管(Transistor)输出。
(2)Rx、Tx和SGND为RS232接口,Rx接受,Tx发送,SGND为其0V。
(3)为RS485接口。PE为接地。注意:SGND不是信号地。
6传感器接口定义
控制器采用六线制接线法,当选用四线制接线法连接传感器时,必须将仪表的SNC+与EXC+短接、SNC-与EXC-短接。
(1)EXC1(2)+ 激励正;EXC1(2)- 激励负。
(2)SNC1(2)+感应正; SNC1(2)-感应负。
(3)SIG1(2)+信号正, SIG1(2)-信号负。


×