来源:网络转载更新时间:2020-12-03 13:58:39点击次数:2924次
一、 概述
目前在编织袋焊接生产过程中,经常需要对编织袋的袋口进行折叠,以方便下一道焊接工序的使用,提高袋口的平整度和耐用等特点,目前基本都是釆用人工折叠的方式,除了耗费大量的人力外,折叠的产品质量也不尽相同,尺寸存在较大的误差。针对上述问题中存在的不足之处,本技术提供一种编织袋袋口折叠机构。
二、 技术方案
本技术介绍了一种编织袋袋口折叠机构,主要包括:
呈左右对称的两套折叠机构;
每套所述折叠机构包括用于折弯编织袋的折弯机构和用于支撑编织袋的支撑机构;
所述折弯机构包括丝杆,所述丝杆上安装有可上下滑动的滑块,所述滑块上安装有可水平伸出的支撑气缸,所述支撑气缸的气缸杆上安装有可向下伸出的第一折叠气缸,所述第一折叠气缸的气缸杆上安装有可向下伸出的第二折叠气缸,所述第二折叠气缸的气缸杆上安装有可水平伸出的顶弯气缸,所述顶鸾气缸的气缸杆上安装有用于折弯编织袋的导向折叠杆;
所述支撑机构包括可水平伸出的第一收缩气缸,所述第一收缩气缸的气缸杆上安装有向上伸出的第二伸缩气缸,所述第二伸缩气缸的气缸杆上安装有用于支撑编织袋的内支撑杆。
所述丝杆的端部安装有丝杆驱动机构。
所述支撑气缸的气缸杆上安装有固定底板,所述固定底板上安装有可向下伸出的第一折叠气缸;
所述第一折叠气缸的气缸杆上安装有第一连接支架,所述第一连接支架上安装有可向下伸出的第二折叠气紅;
所述第二折叠气缸的气缸杆上安装有第二连接支架,所述第二连接支架上安装有可水平伸出的顶弯气缸。
所述第一收缩气缸的气紅杆上安装有第三连接支架,所述第三连接支架上安装有向上伸出的第二伸缩气缸。
所述导向折叠杆和内支撑杆均为L型杆。
三、有益效果
本技术在编织袋袋口焊接前通过增加一种编织袋袋口折叠机构,能够自动快速的对袋口进行对其并进行折叠动作,折叠后方便进入下一道焊接工序,代替人工操作、方便快捷,动作可靠、稳定性较高,折叠部分尺寸均匀性一致且能可靠焊接。
四、附图说明

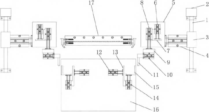
图1构的结构图
1、丝杆;2、丝杆驱动机构;3、滑块;4、支撑气缸;5、固定底板;6、第一折叠气缸;7、第一连接支架;
8、第二折叠气缸;9、第二连接支架;10、顶弯气缸;11、导向折叠杆;12、第一收缩气紅;
13、第三连接支架;14、第二伸缩气缸;15、内支撑杆;16、编织袋;17、焊接机构。
五、具体实施方式
如图1所示,本技术介绍了一种编织袋袋口折叠机构,包括:呈左右对称的两套折叠机构,现有编织袋的焊接机构17位于上述两套折叠机构之间;每套折叠机构包括用于折弯编织袋16的折弯机构和用于支撑编织袋16的支撑机构;下述以一套折叠机构为例,对其折弯机构和支撑机构做详细说明。
如图1所示,本技术的折弯机构包括丝杆1、丝杆驱动机构2、滑块3、支撑气缸4、固定底板5、第一折叠气缸6、第一连接支架7、第二折叠气缸8、第二连接支架9、顶弯气缸10和导向折叠杆IE其中,丝杆1的端部安装有丝杆驱动机构2,丝杆1上安装有可上下滑动的滑块3,滑块3设有与丝杆外螺纹相配合的内螺纹;丝杆驱动机构2可选用电机,电机驱动丝杆1转动实现滑块3的上下滑动;在使用时,丝杆1两端通过轴承件固定在合适的支架上。滑块3上安装有可向中心水平伸出的支撑气缸4,支撑气缸4的气缸杆上安装有固定底板5,固定底板5上安装有可向下伸出的第一折叠气缸6;第一折叠气缸6的气缸杆上安装有呈L型的第一连接支架7,第一连接支架7上安装有可向下伸岀的第二折叠气缸8;第二折叠气缸8的气缸杆上安装有第二连接支架9,第二连接支架9上安装有可水平伸出的顶弯气缸10,顶弯气缸10的气缸杆上安装有用于折弯编织袋16的导向折叠杆11,导向折叠杆11呈如图1所示的L型结构;上述的安装方式均可釆用螺栓或螺钉等常规的安装方式。
如图1所示,本技术的支撑机构包括可向编织袋外侧水平伸岀的第一收缩气缸12,第一收缩气缸12可固定安装在支架(图中未示出)上;第一收缩气缸12的气缸杆上安装有呈L型的第三连接支架13,第三连接支架13上安装有向上伸出的第二伸缩气缸14,第二伸缩气缸14的气缸杆上安装有用于支撑编织袋16的内支撑杆15,内支撑杆15呈如图1所示的L型结构;上述的安装方式均可釆用螺栓或螺钉等常规的安装方式。
本技术的编织袋袋口折叠机构使用方法为:
人工把编织袋16套在内支撑杆15上面,此时第二收缩气缸14呈伸开状态,第一收缩气缸12呈收缩状态,套上编织袋16后第一收缩气缸12作伸出动作,此时绷紧编织袋16的袋口,此时第二折叠气缸8作伸出动作,使得导向折叠杆11进入到编织袋16的袋口右侧,接着顶弯气缸10伸出动作,把编织袋16的口向内顶进去,呈90度的状态;此后,第一折叠气缸6作伸出动作,使得袋口向内折叠,内侧面与内支撑杆15紧密贴合,使得袋口完全折叠。袋口完全折叠完成后,第一收缩气缸12和第二收缩气缸14分别收缩动作,避开编织袋口位置,此时支撑气缸4作收缩动作,把折叠后的袋口拉紧、绷直。注意,此为对称机构,右侧折叠拉紧的同时,左侧也已经完成折叠动作并一同时间拉紧。此后,丝杆驱动机构2动作,通过移动滑块3带动整个折叠机构上移,使得编织袋16的袋口进入到焊接机构17的焊接工位,方便焊接操作,焊接操作完后,再由丝杆驱动机构2动作,通过移动滑块2带动整个机构下移,脱离焊接工位,完成整个折叠袋口焊接工作。
本技术在编织袋袋口焊接前通过增加一种编织袋袋口折叠机构,能够自动快速的对袋口进行对其并进行折叠动作,折叠后方便进入下一道焊接工序,代替人工操作、方便快捷,动作可靠、稳定性较高,折叠部分尺寸均匀性一致且能可靠焊接。
本文源于网络转载,如有侵权,请联系删除
×