来源:网络转载更新时间:2020-08-28 10:30:35点击次数:3362次
在混凝土搅拌站的混凝土生产中需要水泥、大石、中石、小石、沙、水和添加剂等多种配料,物料称重、配料控制是影响商品混凝土质量的重要因素。混凝土搅拌站的配料控制一般使用分布式控制系统,一套传统的典型的搅拌站分布式控制系统如图1所示,它包括多个称重显示控制终端。称重显示控制终端的功能主要是釆集相应料斗传感器信号,换算成重量,同时根据混凝土的配方进行配料的过程控制叫这种显示控制和传感器信息采集一体化的称重显示控制终端在远距离模拟信号的传输中,外部干扰的串入以及传输过程中信号的衰减都会直接影响到检测和控制的精度,同时由于采用串口和上位的工控机进行通信,对工控机串口的数量要求苛刻,系统布线复杂,不便于安装和维护,当物料种类增加时往往难以灵活配置。
图2为釆用了CAN总线的新型称重显示控制终端的搅拌站控制系统。CAN总线技术是国际上前沿的现场总线技术,它布线简单,只需两根双绞线就可连接多个传输节点,节点增删灵活,传输距离长,抗干扰能力强,在工业现场运用极其广泛%由图2可以看到,其布线大为简化,只需要一根4芯CAN总线电缆就可实现显示控制模块,传感器数据采集

图1传统分布式搅拌站控制系统 图2釆用CAN总线的新型搅拌站控制系统
模块以及工控机之间的相互通信。同时由于CAN总线釆用了数字传输方式,解决了搅拌站控制系统中模拟信号远距离传输干扰串入和信号衰减问题。
1新型称重仪表的硬件构成及工作原理
釆用CAN总线的新型称重显示控制器(图3)由显示控制模块和传感器数据釆集模块组成,模块之间由CAN总线连接,工作原理如图4所示。传感器数据采集模块不断地采集传感器模拟电压信号,通过内部放大、A/D转换变成数字信号,并将数字信号经过通信子模块传到CAN总线上去,供CAN总线上的对应的显示控制模块接收处理,完成称重显示控制器主要功能,满足搅拌站称量系统的需要。现单片式低噪声高精度数据的采集。同时还具有温度传感器、32kBFLASH存储器、1.2kB的SRAM和32位累加器,可串行或并行编程,达10万次擦除/写操作,工作电压2.7~5.25V,工作温度范围-40-+85。

通信子模块由PHILIPS公司的独立CAN总线控制器SJA1000、高速光隔离收发器6N137和CAN收发器A82C250组成oMSC1210负责SJA1000的初始化,通过SJA1000实现数据的接收和发送等通信任务。为增强CAN总线节点的抗干扰能力,SJA1000并不是直接和A82C250相连,而是通过高速光耦6N137后与之相连,这样就很好的实现了总线上各CAN节点间的电气隔离;同时,在电源部分釆用了DC-DC模块B0505LS给光耦6N137右边模拟电路供电,采用不同的电源供电,光耦6N137两边电路完全隔离,提高了模块的稳定性。
电源部分主要由TVS、LM2956和DC-DC模块设计而成。LM2956是一款性能优越的低压差稳压器,可以使系统以较低的功耗工作,具有输入电压反接保护,使系统在不同的工作环境下更安全可靠,输出电压作为供电电源同时也作为AD转换的基准电压,无需精确稳定的基准电压源即可实现精确的测量,降低了对供电电源和基准电压源的要求,简化了电路洞时也有效的降低了成本。电路中各器件的电源输入端接有去耦电容,增强系统的抗干扰能力01.2显示控制模块原理
显示控制模块由信息处理子模块、通信子模块、显示子模块、键盘电路和电源电路组成,如图6所
显示控制模块通过CAN总线接收传感器数据
1.1基于CAN接口的传感器数据采集模块原理
传感器数据釆集模块由信号采集处理子模块、通信子模块和电源电路组成,如图5所示。
信号采集处理采用TI公司的MSC1210单片机,MSC1210集成一个增强型的8051内核、具有可编程增益(1-128倍)放大器和8路24位高精度AA模数转换器


可以容易地实采集模块发送的信息,转换成重量值,经过主程序的处理,显示重量并发送相应的控制信息。

信号处理部分采用Cygnal公司的C8051F040单片机,它是集成在一块芯片上的混合信号系统级单片机,25MIPS高速流水线式CIP-51控制器内核,JTAG调试接口,64kB的可编程FLASH存储器,RAM可存储4352(4096+256)kB,64个I/O端口管脚,同时有一个CAN2.0B集成控制器,可在工业温度范围>45~+85V内釆用2.7V到3.6V的工作电压。
通信电路采用C8051F040上集成的CAN控制器,高速光耦隔离6N137和CAN收发器A82C250组成,为了提高抗干扰能力,达到完全隔离的目的,在电源电路部分也采用了DC-DC模块来对光耦右边的通信电路进行供电。
显示电路釆用HD7279驱动LED0该芯片具有串行接口,可以同时驱动8位共阴极数码管和连接64键的键盘矩阵,单片即可以完成数码显示和键盘接口的全部功能,而且该芯片自带RC振荡电路,无需外接时钟,与单片机的接口电路简单,只需4条1/。线。
2新型称重仪表的软件组成
新型称重仪表的软件包括数据采集程序和显示控制程序两部分,分别安装在传感器数据采集模块和显示控制模块内。
2.1数据釆集程序
数据釆集程序包括A/D转换中断子程序、数据处理子程序、发送数据子程序和接收处理子程序。数据采集程序流程如图7。
2.2显示控制程序
显示控制程序包括初始化子程序、开机自动置零子程序、菜单子程序、零点跟踪子程序、自动配料子程序、手动配料子程序和通信子程序,各程序互相配合实现搅拌站控制的主要功能。主程序流程如图8所示。

3CAN总线智能节点设计
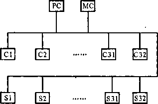
新型称重仪表的CANBUS网络结构如图9所示,其中,PC为上位监控机、C1-C32为显示控制模块、S1—S32为传感器数据釆集模块、MC为手持监控器(可选)。

下面以显示控制器节点CYY(YY:控制器节点编号1WYYW32)为例说明CANBUS的ID分配,PC(MC)和传感器数据采集模块节点SYY的ID分配原理和CYY是一样的,通过ID的互相匹配,就可以实现各个节点之间的相互通迅,传输不同的数据和命令。
0x00(广播ID):用于接收系统同步控制和紧急控制命令;
OxYY:接收数据帧,用于PC参数设置、配方设置和参数査询;
0xYY+0x20:接收数据帧,接收SYY反馈的传感器信息; ,
0xYY+0x40:发送数据帧,向PC发送参数、配方数据;
0xYY+0x60:发送数据帧,向PC发送系统状态、任务进程数据;
0x100+OxYY«4(即OxYY左移4位再加0x100):发送数据慎,用于向SYY传送传感器参数。
4结束语
将CAN现场总线引入搅拌站称重仪表,在满足搅拌站称重系统要求的同时,与传统搅拌站称重仪表相比具有布线简单,现场组网方便灵活,信号传输可靠等优点。该新型称重仪表已取得国家专利,并批量应用于三一的混凝土搅拌站,具有广阔的市场前景。所达到的具体技术指标为:
准确度 DI级=3000
输入信号范围 0.1-25mV
非线性W0.01%F.S传感器供桥电源DC5V,350mA显7K双排6位LED显示分度值
0.005/0.01/0.02/0.05/0.1/0.2/0.5/1/2/5/可选键盘 轻触式PVC开关,共4个功能键通讯接口CAN接口,波特率250kB/s控制点输出容量场效应管输出最大60V.3A使用电源 DC9~36V
工作温度 0~40幻
文章来源于网络转载,侵删
×